CLAMP AISI 316L ASME BPE патрубок фарм 3" (76,2х1,65) F=91
Применение:
|
|
|
|
|
|
Документация:
Технический паспорт
Скачать
Технические характеристики:
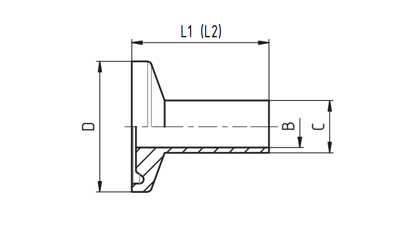
| Толщина: | 1,65 |
| Марка стали: | AISI 316L |
| Стандарт/ГОСТ: | ASME BPE |
| Размер/Диаметр: | 3" |
| Тип: | Пусто |
Описание:
