
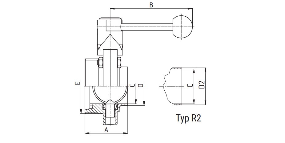
Затвор дисковый AISI 304 4302 р/с DN 32 NIOB
Артикул:
9986
Применение:
|
|
|
Документация:
Технический паспорт
Скачать
Технические характеристики:
Производитель: | NIOB |
Размер/Диаметр: | DN 32 |
Тип: | Пусто |
Описание: