
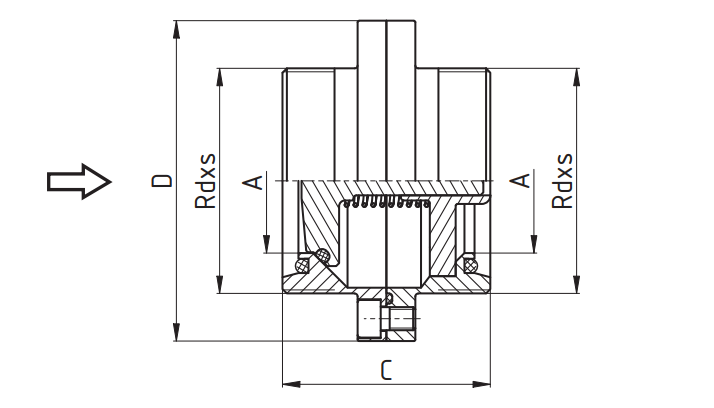
Клапан AISI 316L/EPDM 5083D р/р обратный DN 65 NIOB
|
|
|
Производитель: | NIOB |
Размер/Диаметр: | DN 65 |
Тип: | Пусто |