
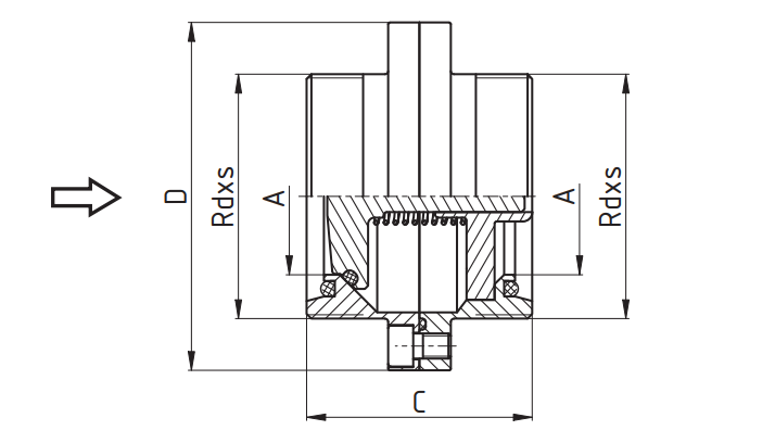
Клапан AISI 316L/EPDM 5083D р/р обратный DN 40 NIOB
Артикул:
5557
Применение:
|
|
|
Документация:
Технический паспорт
Скачать
Технические характеристики:
Тип: | Пусто |
Производитель: | NIOB |
Размер/Диаметр: | DN 40 |
Описание: