
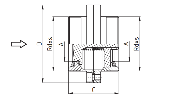
Клапан AISI 316L/EPDM 5083D р/р обратный DN 15 NIOB
|
|
|
Размер/Диаметр: | DN 15 |
Тип: | Пусто |
Производитель: | NIOB |