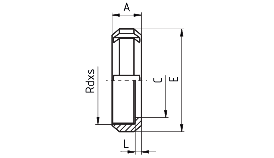
Гайка накидная шлицевая AISI 304 SMS DN 50,8 а
Применение:
|
|
|
|
|
|
Документация:
Технический паспорт
Скачать
Технические характеристики:
| Размер/Диаметр: | SMS DN 50.8 |
| Поверхность: | Азия |
| Тип: | Азия |
| Марка стали: | AISI 304 |
| Регион производства: | Азия |
Описание:
