Гайка накидная шлицевая AISI 304 DN 40 а
Применение:
|
|
|
|
|
|
Документация:
Технический паспорт
Скачать
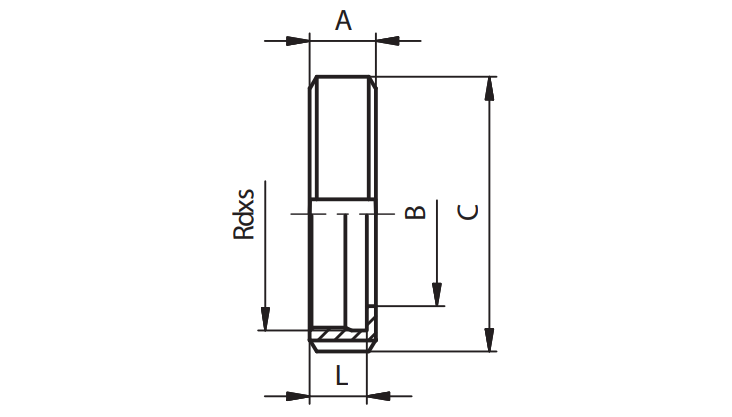
Технические характеристики:
| Марка стали: | AISI 304 |
| Регион производства: | Азия |
| Размер/Диаметр: | DN 40 |
| Поверхность: | Азия |
| Тип: | Азия |
Описание:
