Гайка накидная шлицевая AISI 304 DIN 11851 DN 40 LT
Применение:
|
|
|
|
|
|
Документация:
Технический паспорт
Скачать
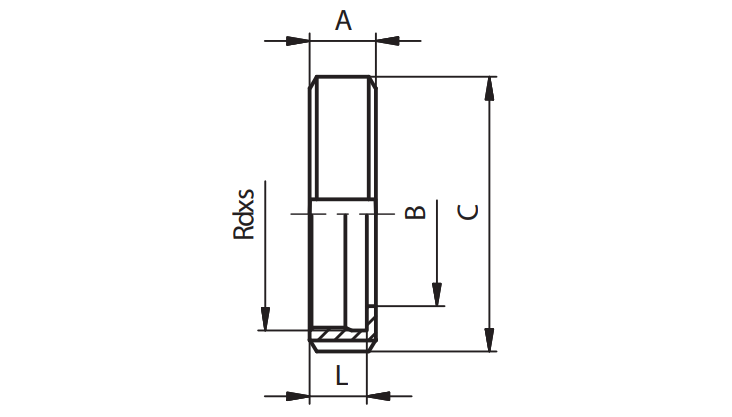
Технические характеристики:
| Стандарт/ГОСТ: | DIN 11851 |
| Размер/Диаметр: | DN 40 |
| Тип: | Пусто |
| Марка стали: | AISI 304 |
| Производитель: | LT |
Описание:
