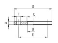
Фланец AISI 321 плоский (тип 01B) PN16 DN 50 (57)
Артикул:
10690
Применение:
|
|
|
|
|
|
Документация:
Технический паспорт
Скачать
Технические характеристики:
| Марка стали: | AISI 321 |
| Номинальное давление - Задвижки шиб: | PN16 |
| Размер/Диаметр: | DN 50 |
| Тип: | Пусто |
Описание:
