
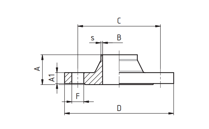
Фланец AISI 316L воротниковый (тип 11B) PN40 DN 20 (26,9)
|
|
|
Марка стали: | AISI 316L |
Номинальное давление - Задвижки шиб: | PN40 |
Размер/Диаметр: | DN 20 |
Тип: | Пусто |