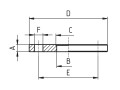
Фланец AISI 316L плоский (тип 01B) PN40 DN 32 (42,4)
Применение:
|
|
|
|
|
|
Документация:
Технический паспорт
Скачать
Технические характеристики:
| Марка стали: | AISI 316L |
| Номинальное давление - Задвижки шиб: | PN40 |
| Размер/Диаметр: | DN 32 |
| Тип: | Пусто |
Описание:
