
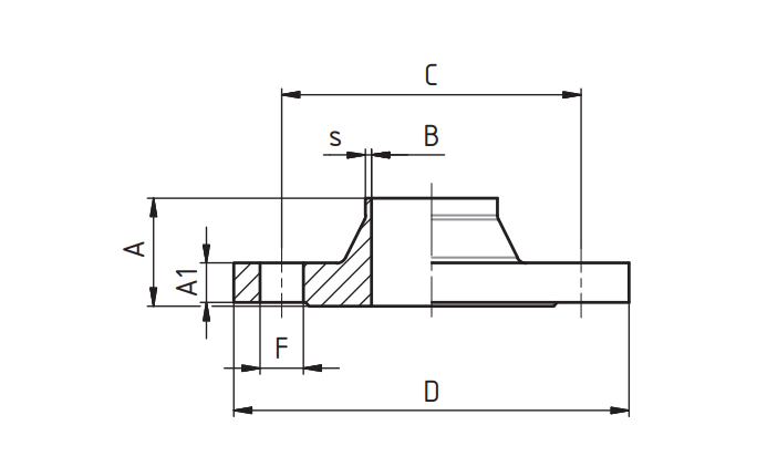
Фланец AISI 304 воротниковый (тип 11B) PN16 DN 100 (101,6)
Артикул:
8315
Применение:
|
|
|
Документация:
Технический паспорт
Скачать
Технические характеристики:
Тип: | Пусто |
Марка стали: | AISI 304 |
Номинальное давление - Задвижки шиб: | PN16 |
Размер/Диаметр: | DN 100 |
Описание: