
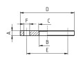
Фланец AISI 304 плоский (тип 01B) PN40 DN 150 (168,3)
|
|
|
Марка стали: | AISI 304 |
Номинальное давление - Задвижки шиб: | PN40 |
Размер/Диаметр: | DN 150 |
Тип: | Пусто |