
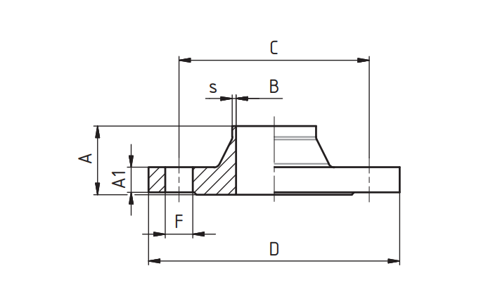
Фланец AISI 304 DIN 2633 воротниковый (тип 11B) PN16 DN 25 (29) СП
|
|
|
Марка стали: | AISI 304 |
Производитель: | Ариэль Инокс |
Номинальное давление - Задвижки шиб: | PN16 |
Стандарт/ГОСТ: | DIN 2633 |
Размер/Диаметр: | DN 25 |
Тип: | Пусто |